كيف تعمل شريحة التيار المستمر DCDC في تنظيم الطاقة عالي الدقة؟

2025-12-19 - اترك لي رسالة

ملخص المادة

A DCDC رقاقة التيار المستمريعد مكونًا أساسيًا في أنظمة إدارة الطاقة الحديثة، وهو مصمم لتوفير تيار خرج ثابت ويمكن التحكم فيه بغض النظر عن اختلافات الحمل أو جهد الإدخال. توفر هذه المقالة نظرة عامة فنية شاملة حول كيفية عمل رقائق التيار المستمر DCDC، وتفحص المعلمات الكهربائية الرئيسية، وتستكشف سيناريوهات التطبيق في العالم الحقيقي، وتجيب على الأسئلة الفنية المتداولة. تم تصميم المحتوى لدعم اتخاذ القرارات الهندسية واختيار المكونات وتحسين النظام على المدى الطويل مع التوافق مع سلوك البحث الحالي وعادات القراءة الاحترافية.

AS6911SGA


جدول المحتويات


مخطط المحتوى

  • مبادئ العمل الأساسية والهندسة الداخلية
  • شرح مفصل للمعايير الكهربائية والحرارية
  • التطبيقات الصناعية والسيارات والالكترونيات الاستهلاكية
  • الأسئلة الشائعة الفنية التي تتناول التحديات الهندسية الشائعة
  • اتجاهات التطوير المستقبلية والتكامل على مستوى النظام

1. كيف يتم تصميم شريحة التيار المستمر DCDC لتنظيم التيار؟

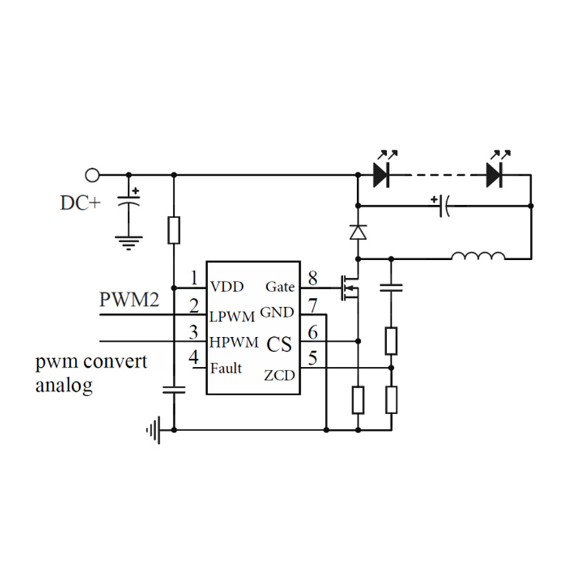
شريحة التيار المستمر DCDC عبارة عن دائرة متكاملة لإدارة الطاقة في وضع التبديل والتي تحافظ على تيار خرج ثابت عن طريق الضبط الديناميكي لدورة العمل، وتبديل التردد، وحلقات التحكم في التغذية المرتدة. على عكس منظمات الجهد الثابت، فإن متغير التحكم الأساسي هو التيار وليس الجهد، مما يجعل هذا النوع من الرقائق ضروريًا للأحمال مثل مصابيح LED وثنائيات الليزر ودوائر شحن البطارية وأجهزة الاستشعار الدقيقة.

داخليًا، تدمج الشريحة مضخم خطأ عالي السرعة، ومقارنة التيار، ومصدر الجهد المرجعي، ومحرك الطاقة MOSFET. يتم أخذ عينات من التيار المتدفق خلال الحمل عبر مقاوم إحساس داخلي أو خارجي. تتم مقارنة هذه الإشارة المستشعرة بالعتبة المرجعية، ويقوم منطق التحكم بضبط سلوك التبديل للتعويض عن تغييرات الخط أو التحميل.

هدف التصميم المركزي هو الاستقرار الحالي في ظل ظروف الإدخال المختلفة. من خلال العمل في طبولوجيا باك أو تعزيز أو باك بوست، يمكن لشريحة التيار المستمر DCDC دعم نطاقات جهد الإدخال الواسعة مع الحفاظ على الكفاءة والسلامة الحرارية.


2. كيف تحدد المعلمات الرئيسية أداء شريحة التيار الثابت DCDC؟

يتطلب اختيار شريحة التيار المستمر DCDC المناسبة إجراء تقييم دقيق لخصائصها الكهربائية والحرارية وخصائص التحكم. تؤثر هذه المعلمات بشكل مباشر على موثوقية النظام وكفاءته وامتثاله للمعايير التنظيمية.

المعلمة النطاق النموذجي الأهمية الفنية
نطاق جهد الإدخال 3 فولت – 60 فولت يحدد التوافق مع حزم البطاريات أو المحولات أو الحافلات الصناعية
دقة الإخراج الحالية ±1% إلى ±5% يحدد دقة التنظيم الحالي تحت الأحمال الديناميكية
تبديل التردد 100 كيلو هرتز – 2 ميجا هرتز يؤثر على الكفاءة وأداء EMI وحجم المكون السلبي
كفاءة 85% – 98% يؤثر بشكل مباشر على التبديد الحراري وفقدان الطاقة
الحماية الحرارية 150 درجة مئوية – 170 درجة مئوية يمنع فشل الجهاز تحت الحمل الزائد أو التبريد غير الكافي

تدمج الأجهزة المتقدمة أيضًا ميزات مثل التحكم في التشغيل الناعم وواجهات تعتيم PWM وضبط التيار التناظري وتشخيص الأخطاء. تعمل هذه الإمكانات على تبسيط التصميم على مستوى النظام وتقليل الحاجة إلى دوائر خارجية.


DCDC رقاقة التيار المستمر – أسئلة وأجوبة شائعة

س: كيف تحافظ شريحة التيار المستمر DCDC على خرج ثابت عندما يتقلب جهد الإدخال؟

ج: تقوم الرقاقة بمراقبة تيار الحمل بشكل مستمر من خلال حلقة التغذية الراجعة وتقوم بضبط دورة تشغيل التحويل في الوقت الفعلي، لتعويض أي تغييرات في جهد الإدخال دون تغيير مستوى التيار المنظم.

س: كيف تتم إدارة الحرارة في تطبيقات شرائح التيار المستمر DCDC ذات التيار العالي؟

ج: تتم إدارة الحرارة من خلال طبولوجيا التبديل عالية الكفاءة، وانخفاض RDS (على)الدوائر المتكاملة منخفضة المقاومة (MOSFET)، ودوائر الإغلاق الحراري، وتخطيطات PCB المحسنة التي تعمل على تحسين تبديد الحرارة.

س: كيف تختلف شريحة التيار الثابت عن منظم الجهد الثابت في تصميم النظام؟

ج: تعطي شريحة التيار الثابت الأولوية لدقة التيار بدلاً من استقرار الجهد، مما يجعلها مناسبة للأحمال الحساسة للتيار حيث قد يختلف الجهد وفقًا لظروف التشغيل.


3. كيف يتم تطبيق شريحة التيار المستمر DCDC عبر الصناعات؟

يتم نشر شرائح التيار المستمر DCDC على نطاق واسع عبر العديد من الصناعات نظرًا لمرونتها وكفاءتها. وفي أنظمة الإضاءة ذات الحالة الصلبة، فإنها تضمن سطوعًا موحدًا وتطيل عمر LED. وفي إلكترونيات السيارات، فإنها تدعم الإضاءة التكيفية، ومجموعات الأدوات، والأنظمة الفرعية لإدارة البطارية.

تستخدم أنظمة الأتمتة الصناعية هذه الرقائق لتشغيل أجهزة الاستشعار والمحركات والمكونات البصرية التي تتطلب سلوك تيار يمكن التنبؤ به. تعتمد الأجهزة الطبية على التنظيم الحالي المستمر لضمان دقة الإشارة وسلامة المرضى. تستفيد الأجهزة الإلكترونية الاستهلاكية من التكامل المدمج والاستهلاك المنخفض للطاقة، خاصة في الأجهزة المحمولة.

يفرض كل سيناريو تطبيق متطلبات كهربائية وبيئية فريدة، مما يعزز أهمية اختيار شريحة ذات ميزات حماية وواجهات تحكم مناسبة.


4. كيف ستتطور تقنية شرائح التيار الثابت DCDC؟

إن تطور تقنية DCDC Constant Current Chip مدفوع بزيادة الطلب على كفاءة أعلى، وتحمل أوسع لجهد الإدخال، والتحكم الذكي. تؤكد التصميمات المستقبلية على حلقات التحكم الرقمية، وقياس التيار التكيفي، والتكامل الأكثر إحكامًا مع وحدات التحكم الدقيقة وواجهات الاتصال.

تؤثر مواد أشباه الموصلات ذات فجوة النطاق الواسعة مثل GaN وSiC على بنيات الجيل التالي من خلال تمكين ترددات تحويل أعلى وتقليل خسائر التوصيل. بالإضافة إلى ذلك، يعمل تكامل النظام على الشريحة على تقليل البصمة مع تعزيز الموثوقية.

نظرًا لأن أنظمة الطاقة أصبحت أكثر توزيعًا وذكاءً، فإن التنظيم الحالي المستمر سيظل قدرة أساسية تدعم كفاءة الطاقة وتحسين الأداء.


شركة شنتشن كوكينتيك المحدودةيركز على تطوير وتوريد حلول شرائح التيار المستمر DCDC عالية الأداء والمصممة خصيصًا لتطبيقات الإلكترونيات الصناعية والسيارات والإلكترونيات المتقدمة. ومن خلال التحسين الهندسي المستمر والتصنيع القائم على الجودة، تدعم الشركة تصميمات إدارة الطاقة المستقرة والقابلة للتطوير.

للحصول على الاستشارات الفنية أو تخصيص المعلمات أو التوصيات الخاصة بالتطبيقات، من فضلكاتصل بنالمناقشة متطلبات المشروع وفرص التعاون على المدى الطويل.

إرسال استفسار

X
نحن نستخدم ملفات تعريف الارتباط لنقدم لك تجربة تصفح أفضل، وتحليل حركة مرور الموقع، وتخصيص المحتوى. باستخدام هذا الموقع، فإنك توافق على استخدامنا لملفات تعريف الارتباط. سياسة الخصوصية